上海恒點傳動設備有限公司
加微信聯系 恒點減速機QQ2:51228482
[HTML] [XML]  産品展示産品展示-RSS  新聞中心新聞中心-RSS  技術支持技術支持-RSS
産品分類: 減速機蝸輪絲杆升降機轉向箱蝸輪蝸杆減速機齒輪減速機行星齒輪減速機擺線針輪減速機無級變速機大功率減速器
上海恒點傳動設備有限公司
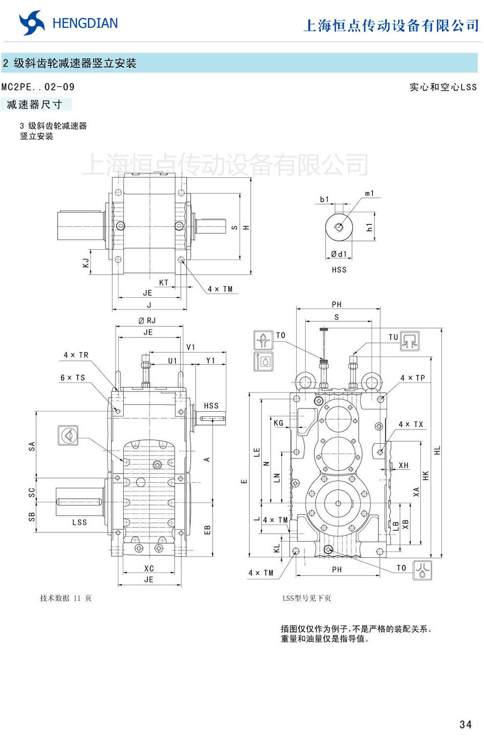
當前位置:網站首頁 > MC硬齒面減速器 > 傳動能力和外型安裝尺寸/斜齒豎立安裝

傳動能力和外型安裝尺寸/斜齒豎立安裝 - MC硬齒面減速器

快速切換 選型參數及尺寸參數





關閉本頁】 【打印本頁回到頂部
上一篇 上一篇 :傳動能力和外型安裝尺寸/斜齒垂直安裝 下一篇 下一篇:傳動能力和外型安裝尺寸/錐齒-斜齒水平安裝

MC硬齒面減速器 詳細選型參數及尺寸參數:

1 - 産品概述 2 - 型号标記
3 - 典型傳動裝置 4 - 選型指南
5 - 傳動能力表 6 - 輸出軸許用徑向力
7 - 傳動能力和外型安裝尺寸/斜齒水平安裝 8 - 傳動能力和外型安裝尺寸/斜齒垂直安裝
9 - 傳(chuán)動能力和外型安裝尺寸/斜齒(chǐ)豎立安裝 10 - 傳動能力和外型安裝尺寸/錐齒-斜齒水平安裝
11 - 傳動能力和外型安裝尺寸/錐齒-斜齒垂直安裝 12 - 傳動能力和外型安裝尺寸/錐齒-斜齒豎立安裝
13 - 輸出空心軸詳細尺寸 14 - 輸出法蘭尺寸
15 - 冷卻方式 16 - 潤滑和密封裝置
17 - 連接裝置 18 - 改換設備
19 - 改進設備 20 - 與K、R系列模塊組合

電 話:021-22815912  021-22816186  傳 真:021-32050712   郵箱:sales@021jsj.cn  減速機 絲杆升降機 轉向箱 蝸輪蝸杆減速機
Copyright©2009-2026上海恒點傳動設備有限公司 版權所有  地址:上海市金山區亭林鎮林寶路39号  郵編:200442  滬ICP備10206998号-2 
友情鏈接機械設備網 | 渦街流量計 | 輸送機 | 變頻控制櫃 | 破碎機 | 工業同城 | 手持終端 | 柴油發電機 | uv平闆打印機 | 風淋室 | QUV | 防火門 | 九愛圖紙 | 感應加熱設備 | 輸送帶廠家 | 噪聲治理 | 西門子plc | 拖鏈電纜 | AGV | 機械雜志 | 現代機械 | UWB高精度定位 |