上海恒點傳動設備有限公司
加微信聯系 恒點減速機QQ2:51228482
[HTML] [XML]  産品展示産品展示-RSS  新聞中心新聞中心-RSS  技術支持技術支持-RSS
産品分類: 減速機蝸輪絲杆升降機轉向箱蝸輪蝸杆減速機齒輪減速機行星齒輪減速機擺線針輪減速機無級變速機大功率減速器
上海恒點傳動設備有限公司
資訊分類
和産品相關的技術文章
當前位置:網站首頁 > 技術支持 > 行星減速機輸出端損壞的維修方法[更換行星架]

行星減速機輸出端損壞的維修方法[更換行星架]

Tags: 伺服行星減速機    發布時間: 2013-04-16
   客戶一台PLK160的行星減速機,輸入端爲空心孔.在調試時,用瞭小一号的鍵放在鍵槽,在沒有固定好的時候就開電機運行,結果把減速機的輸出孔給損壞瞭.如下圖:
損壞的行星輸出孔

   客戶以爲,隻要接口加下工就可以瞭, 一兩天就可以維修好. 其實不是這樣的.
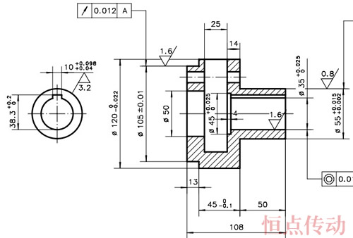
   行星減速機的輸出端,是和行星架連接.如果輸出孔壞瞭,整體行星架就需要更換. 加工周期至少需要一周. 與上圖配套的行星架圖紙如下:

PLK160行星架圖紙

   在此,建議客戶一定要按要求使用減速機. 如果發生問題,請及時與本公司聯系,電話: 021-22815912. 本公司技術部會給出具體的應對方案.
上一篇 上一篇: RF系列齒輪減速機使用注意點[輸出法蘭易斷]
下一篇 下一篇: 1型絲杆升降機絲杆行程的相關問題[絲杆總長與安全距離]
相關新聞文章 > 查看更多
O型圈損壞的原因和措施- 物理/環境老化 2026-02-05
步進電動機概念及其工作原理 2025-08-01
錐齒輪承載能力計算方法第 2 部分 :齒面接觸疲勞(點蝕)強度計算齒面工作硬化系數ZW(GB/T10062.2-2003) 2025-05-12
平面二次包絡環面蝸杆減速器系列、潤滑和承載能力減速器的承載能力及傳動效率(一)(GB/T16444-1996) 2025-03-25
什麽是極限尺寸? 2024-12-20
什麽是軸承的高度系列? 2024-12-11
什麽是軸承的許用轉速 2024-10-28
步進電機精度爲多少?是否累積? 2024-09-13
圓柱齒輪檢驗實施規範第2部分:徑向綜合偏差 、徑向跳動、齒厚和側隙的檢驗齒厚、公法線長度和跨球(圓柱)尺寸的測量(GB/Z18620.2-2002) 2024-08-21
漸開線圓柱齒輪精度其他、圖樣标注(GB10095-88) 2024-07-17
圓弧圓柱齒輪精度齒輪檢驗與公差(GB/T15753-1995) 2024-05-20
輥道電機減速器代号與标志(JB/T5562-91) 2024-04-18
返回頂部 關閉本頁】 【打印本頁
電 話:021-22815912  021-22816186  傳 真 :021-32050712   郵箱:sales@021jsj.cn  減速機 絲杆升降機 轉向箱 蝸輪蝸杆減速機
Copyright©2009-2026上海恒點傳動設備有限公司 版權所有  地址:上海市金山區亭林鎮林寶路39号  郵編:200442  滬ICP備10206998号-2 
友情鏈接機械設備網 | 渦街流量計 | 輸送機 | 變頻控制櫃 | 破碎機 | 工業同城 | 手持終端 | 柴油發電機 | uv平闆打印機 | 風淋室 | QUV | 防火門 | 九愛圖紙 | 感應加熱設備 | 輸送帶廠家 | 噪聲治理 | 西門子plc | 拖鏈電纜 | AGV | 機械雜志 | 現代機械 | UWB高精度定位 |